Skip to main content

[14+] Toyota Alphard Wiring Diagram Pdf, [DIAGRAM] Toyota Harrier User Wiring Diagram FULL Version HD Quality

Toyota Alphard Wiring Diagram Pdf Tahoe Trailblazer Harnes Jeanjaures37

Wagon r electrical wiring diagram pdf

Wiring diagram for toyota hiace radio. Toyota alphard [2008.04] workshop service manual. 37 toyota alphard radio wiring diagram. Wiring diagram for toyota hiace radio

Toyota Land Cruiser 1990-1999 Repair Manual + Wiring Diagrams - Free PDF's

Toyota Land Cruiser 1990-1999 Repair Manual + Wiring Diagrams - Free PDF's

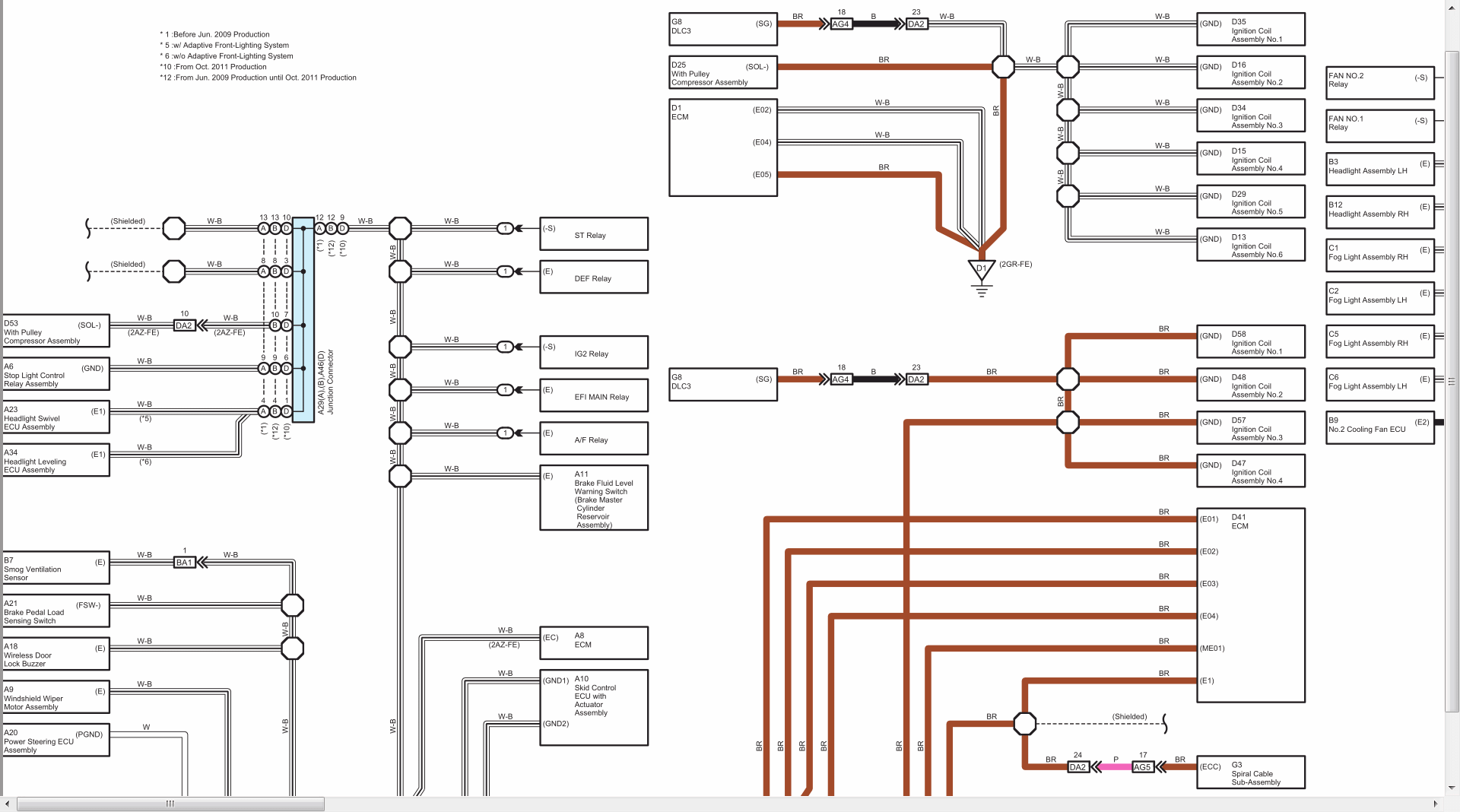
Toyota Wiring Diagram Color Codes Pdf

Toyota Wiring Diagram Color Codes Pdf

TOYOTA AVENSIS Wiring Diagrams - Car Electrical Wiring Diagram

TOYOTA AVENSIS Wiring Diagrams - Car Electrical Wiring Diagram

Bestseller: 4age 20v Engine Diagram

Bestseller: 4age 20v Engine Diagram

2006 Toyota Avalon Radio Wiring Diagram - Wiring Diagram

2006 Toyota Avalon Radio Wiring Diagram - Wiring Diagram

Comments

Popular posts from this blog

[Get 41+] антенна 4g Mimo своими руками

Get Images Library Photos and Pictures. 4g антенна своими руками: описание и инструкция по сборке | Твой сетевичок | Твой сетевичок YAGI ANTENNA 1800 MHz (Emax.IT Innovation To You) Part 1 - YouTube Антенна 4G MIMO своими руками Часть№3 - YouTube Антенна Харченко для 3G модема своими руками. Варианты уличного исполнения

[35+] Datsun 620 , Datsun 620 Pickup 4 Speed Manual For Sale In Jacksonville, Florida

datsun 620 manual 1972 datsun 620 for sale Datsun update. Vintage car. Datsun pickup datsun 620 manual Download PDF If you are looking for datsun 620 pickup 4 speed manual for sale in Jacksonville, Florida you've came to the right web. We have 18 Images about datsun 620 pickup 4 speed manual for sale in Jacksonville, Florida like datsun 620 pickup 4 speed manual for sale in Jacksonville, Florida, datsun 620 pickup 4 speed manual for sale in Jacksonville, Florida and also 1978 DATSUN 620 PICKUP - 196052. Here it is: Datsun 620 Pickup 4 Speed Manual For Sale In Jacksonville, Florida classiccarsexport.com datsun Datsun 620 Parts: Amazon.com www.amazon.com datsun parts DATSUN 620 UPDATE | Garage Amino aminoapps.com datsun update Datsun 620 Pick...

[29+] Art Corporel Moderne - The Manga, Manga Anime, Funny Teen Posts..